CANNADIAN MARCONI HOME ENTERTAINMENT -  MODEL 130 and 131  RADIOS

Type : 7 tube , DC operated superheterodyne receiver with 6 push button station selector .

Frequency range:

530 to 1725 KHz
5500 TO 13500 KhZ
13400 TO 22400 KHz

Tube lineup: 1D5, 1C7, 1D5, 1F7, 1H4, 2 x 49

Audio power: 1.15 watts
Speaker:

Model 130 - 8 inch permanent magnet.
Model 131 - 12 inch permanent magnet.

Input power:

'A' battery - 2 Volt air cell at .62 amp
'B' battery - Three 45 volts cells hooked up in series @20.5 ma
'C' battery - Two 4.5 volts
Two #6 dry cells for the the pilot lights.

Click here for Model 130 and 131 service data.
 

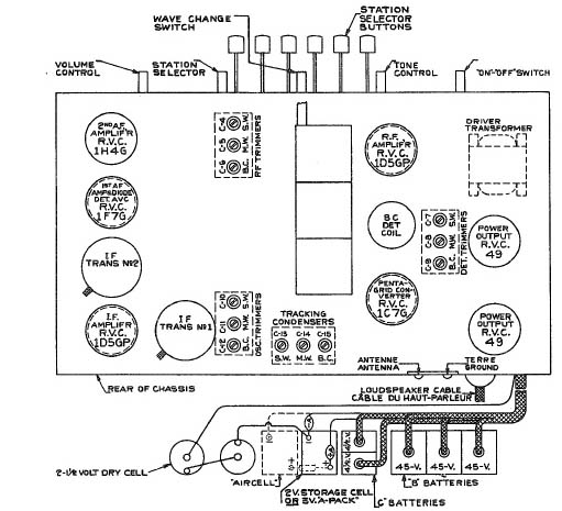
Top view of Model 130/131 chassis. 
Looking for an actual photo of the model 130. Contact: jerry.proc@sympatico.ca

MODEL 130 PHOTOS

130_1969.0915.001_aa_cs.jpg
Model 130 radio. (Photo courtesy Canada Science and Technology Museum, Ottawa) 
/130_003.jpg
Model 130 rear view of radio. (Image via Kijiji.ca)

MODEL 131 PHOTOS

Model 131 - Front view, 
/131_001.jpg
Model 131 in a different cabinet finish.
Model 131 - Dial and controls.
Model 131 - Rear view
131_05.jpg
Model 131 - Nameplate
All photos in this table by John Prentice
Contributors or References:

1) Canadian Marconi Service Manual Vol 1.
2) John Prentice   <jprentice1(at)cogeco.ca>
3) https://ingeniumcanada.org/ingenium/collection-research/collection-item.php?id=1969.0915.001
 
 

Back to Home Entertainment
June 26//22